カタログPDFを見る
※文中の(頁)は「栃木屋総合カタログ 71」の頁となります。
CADデータダウンロード
2D
DXF
3D
STP
IGS
X_T
SAT
PDF
日本語
ENGLISH
特長
押込むだけで簡単に蓋を固定できるラッチ反転型のストッパーです。ラッチが樹脂製なので筐体側に傷が付きにくいです。
Characteristic
Push a lid in to make it fold in place with this turnover type stopper.
Because the latch is made of resin, scratches on the chassis avoidable than usual.
Because the latch is made of resin, scratches on the chassis avoidable than usual.
用途
錆・外観等の理由から傷ついて欲しくない蓋・扉等
各種工作機器・包装機器・小型収納箱等
各種工作機器・包装機器・小型収納箱等
Application
Lids, doors, etc. that you don't want to be damaged due to rust, appearance, etc
Various type of machine tools / Packaging machines / Small storage boxes, etc
Various type of machine tools / Packaging machines / Small storage boxes, etc
仕様
耐振動性
JIS Z 0200:2023(レベル1 ランダム波) ラッチの外れなし
JIS C 60068-2-6:2010(10~55Hz 振幅 0.35mm) ラッチの外れなし
注記)本結果は、試験結果です。
蓋重量などの条件により左右されますので、実装によりご確認ください。
JIS Z 0200:2023(レベル1 ランダム波) ラッチの外れなし
JIS C 60068-2-6:2010(10~55Hz 振幅 0.35mm) ラッチの外れなし
注記)本結果は、試験結果です。
蓋重量などの条件により左右されますので、実装によりご確認ください。
Specification
Vibration Resistance at tests based on
JIS Z 0200:2023(Level1Random Wave):No latch releasing
JIS C 60068-2-6:2010(10-55Hz,amplitude0.35mm):No latch releasing
Note: Test results must vary depending on conditions such as lid weight.
Please verify performance under actual installation.
JIS Z 0200:2023(Level1Random Wave):No latch releasing
JIS C 60068-2-6:2010(10-55Hz,amplitude0.35mm):No latch releasing
Note: Test results must vary depending on conditions such as lid weight.
Please verify performance under actual installation.
注意事項
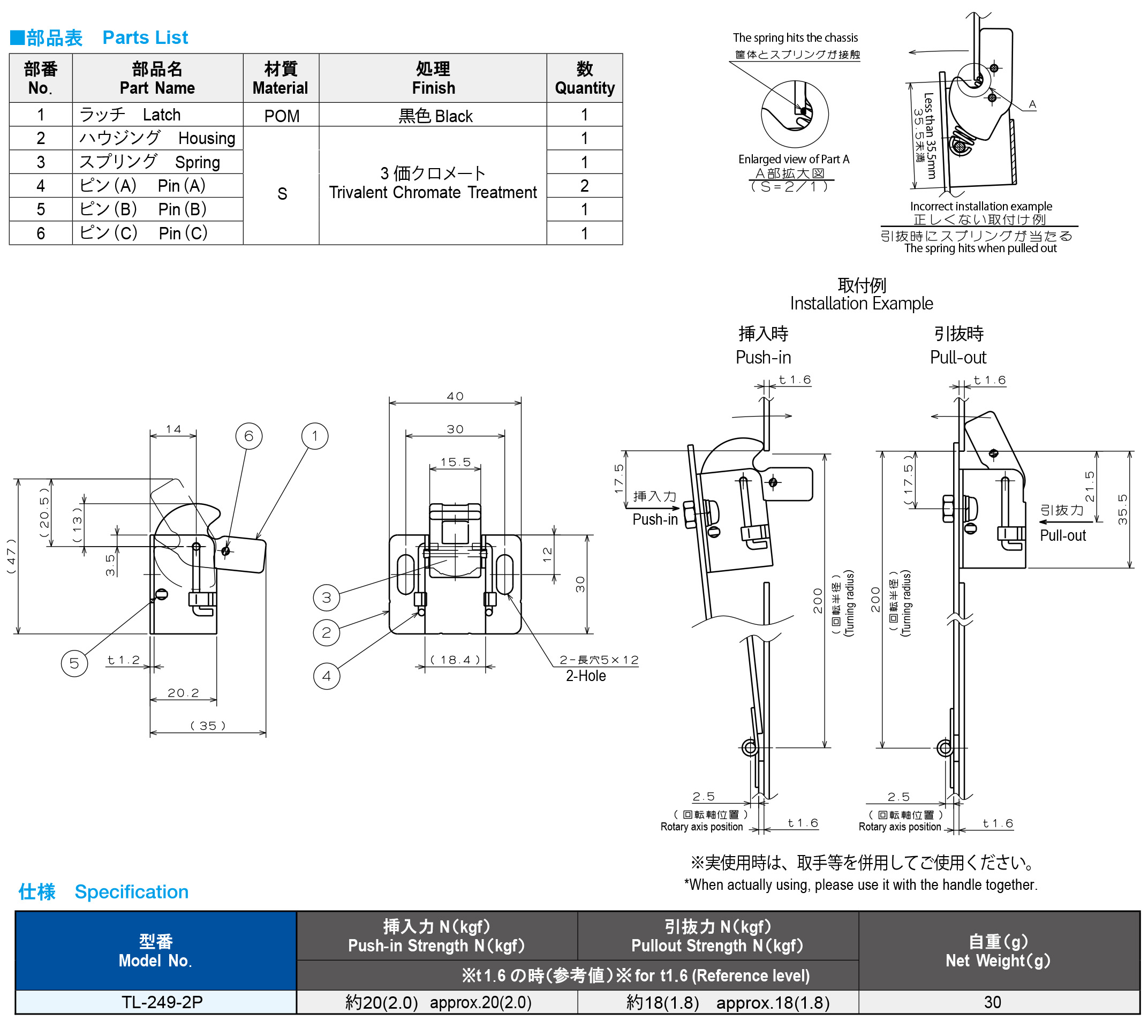
取付時はバネ座金とネジロックを使用してください。
取付図は一例です。必ず実装にて、挿入時に筐体にラッチがかかるか引抜時に筐体にバネが当たらないかをご確認ください。
天面取付のような、蓋・扉の自重を支えるような使い方はできません。
ラッチが正常にかからない可能性があるため、ひとつの蓋・扉に対して複数使用することはできません。
取付図は一例です。必ず実装にて、挿入時に筐体にラッチがかかるか引抜時に筐体にバネが当たらないかをご確認ください。
天面取付のような、蓋・扉の自重を支えるような使い方はできません。
ラッチが正常にかからない可能性があるため、ひとつの蓋・扉に対して複数使用することはできません。
Note
Use spring washers and screw locks for installation.
The installation figure is an example. Through actual installation, please check that the latch is effective and that the spring does not hit the chassis when pulled out. It cannot be used to support the weight of the lid or door,such as mounting on the top surface. Since the latch may not work properly,it cannot be used multiple items for a single lid or door.
The installation figure is an example. Through actual installation, please check that the latch is effective and that the spring does not hit the chassis when pulled out. It cannot be used to support the weight of the lid or door,such as mounting on the top surface. Since the latch may not work properly,it cannot be used multiple items for a single lid or door.









